Ivan's RV-7
August 2025
08-23
6h
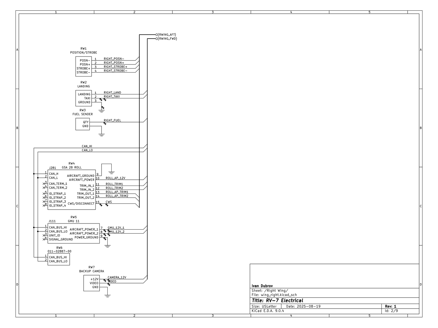
Working on electrical system
September 2023
09-19
3h
Soldering FlyLeds landing lights and the controller
09-18
3h
Assembling FlyLeds landing lights and the controller
Home
Blog
Map
Contact
Most recent
Battery retainers
April 22, 2026
Making subpanel cutout
April 19, 2026
Fabricating spacers for the contactors
April 16, 2026
Fabricating spring clip and installing Power Relay Modules
April 11, 2026
Wrapping up work on the battery boxes
April 10, 2026
Categories
Empennage (66 posts,
207.5h
)
Fuselage (197 posts,
516.5h
)
Wings (110 posts,
314h
)
Practice Kit (7 posts,
8.5h
)
Side Projects (2 posts,
5h
)
Engine (8 posts,
18h
)
Avionics (3 posts,
12h
)
Highlights
Workbenches
Rivets
EkoPoxy Calculator